
Meine erste Lichtmaschinen - Mühle, mit Moped - Zahnrädern

mit Bremse und Verriegelung wenn Windfahne bei Sturm seitlich einrastet oder wenn über Seilzug betätigt die Fahne einrastet und die Flügel aus dem Wind dreht.

Durchgehende Welle mit Antriebsrad für Meßeinrichtung am rechten Ende

Gummipuffer Lagerung, geschnitten aus Autoreifensohle

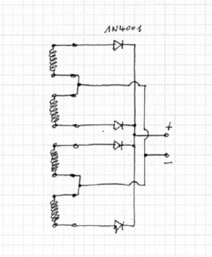
Lichtmaschine mit Kondensatoren und Relais für Eigenerregung


Unten meine Art die Auswuchtgewichte unterzubringen, 7,5mm Loch gebohrt und 8mm Edelstahlgewindestift mit Schlitz versehen um Stift einschrauben zu können, danach werden Löcher (eigentlich nur eins erforderlich) mit Silikon verschlossen

Unten verschiedene Gewindestiftlängen gefertigt, zum groben Auswuchten, Feinauswuchten wurde durch Abschleifen der Stifte erreicht




























